faq обучение настройка
Текущее время: Чт мар 26, 2026 09:33

Часовой пояс: UTC + 3 часа




Начать новую тему Ответить на тему  [ Сообщений: 6 ] 
Автор Сообщение
 Заголовок сообщения: 100% загрузка CPU на dlink dxs-3326GSR
СообщениеДобавлено: Сб апр 04, 2015 19:17 
Не в сети

Зарегистрирован: Пн авг 04, 2014 18:51
Сообщений: 12
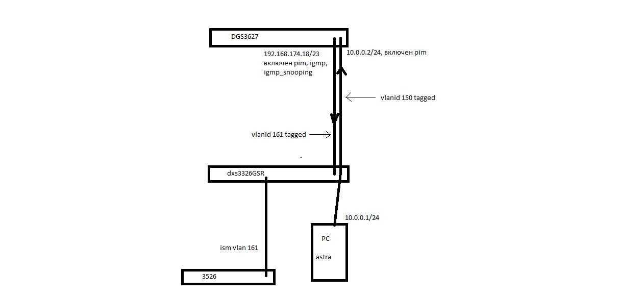
Всем доброго времени суток. Помогите пожалуйста с проблемой. Схема следующая: (PC с астрой)10.0.0.1/24--->vlan150>----(dxs3326GSR)---->vlan150>----10.0.0.2/24(DGS3627)192.168.174.18/23--vlan161-lan_network. Проблема заключается в том, что когда я поднимаю интерфейс eth0.150(на него льется поток с астры) на пк то коммутатор dxs-3326GSR "вешается", на нем настроен 150 vlan тегом, в нем два порта. На DGS3627 включен PIM-SM на двух л3 интерфейсах, igmp на интерфейсе 192.168.174.18 и igmp_snooping на этом же интерфейсе. Подскажите пожалуйста в чем может быть проблема?


Вернуться наверх
 Профиль  
 
 Заголовок сообщения: Re: 100% загрузка CPU на dlink dxs-3326GSR
СообщениеДобавлено: Вт апр 07, 2015 10:30 
Не в сети
Сотрудник D-LINK
Сотрудник D-LINK

Зарегистрирован: Пт янв 21, 2005 11:52
Сообщений: 11212
Откуда: D-Link, Moscow
Добрый день.

Скорее всего в настройках. Пожалуйста, приведите пример настроек и используемые версии прошивок.

_________________
С уважением,
Бигаров Руслан.


Вернуться наверх
 Профиль  
 
 Заголовок сообщения: Re: 100% загрузка CPU на dlink dxs-3326GSR
СообщениеДобавлено: Вт апр 07, 2015 15:30 
Не в сети

Зарегистрирован: Пн авг 04, 2014 18:51
Сообщений: 12
Bigarov Ruslan писал(а):
Добрый день.

Скорее всего в настройках. Пожалуйста, приведите пример настроек и используемые версии прошивок.

Здравствуйте. Версия прошивки 4.50-b19. Настройки касающиеся multicast.

DXS-3326GSR:5#show igmp_snooping
Command: show igmp_snooping

IGMP Snooping Global State : Enabled
Multicast router Only : Disabled

VLAN Name : ism
Query Interval : 125
Max Response Time : 10
Robustness Value : 2
Last Member Query Interval : 1
Host Timeout : 260
Route Timeout : 260
Leave Timer : 2
Querier State : Disabled
Querier Router Behavior : Non-Querier
State : Disabled
Fast Leave : Disabled

VLAN Name : iptv
Query Interval : 125
Max Response Time : 10
Robustness Value : 2
Last Member Query Interval : 1
Host Timeout : 260
Route Timeout : 260
Leave Timer : 2
Querier State : Disabled
Querier Router Behavior : Non-Querier
State : Enabled
Fast Leave : Disabled


Схема построена так что мультикаст поток от сервера вещания проходит по влану iptv через коммутатор 3326GSR к вышестоящему коммутатору (DGS3627-G, на нем включен pim) и вовращается абонентам на тот же 3326 только в другом влане (ism). Методом тыка было обнаружено что cpu utilization не взлетает до 100 только в случае когда мультикаст идет только в одном влане и только с включенным на нем igmp_snooping`ом. То есть чтобы коммутатор не "вешался" нужно отключить абонентам iptv (к примеру удалив порт смотрящий на вышестоящий коммутатор из ism влана), отключить igmp_snooping на ism влане, включить его на влане iptv и только тогда коммутатор нормально работает, но абоненты сидят без iptv.


Вернуться наверх
 Профиль  
 
 Заголовок сообщения: Re: 100% загрузка CPU на dlink dxs-3326GSR
СообщениеДобавлено: Ср апр 08, 2015 12:39 
Не в сети
Сотрудник D-LINK
Сотрудник D-LINK

Зарегистрирован: Пт янв 21, 2005 11:52
Сообщений: 11212
Откуда: D-Link, Moscow
Multicast по PIM-у получаете?

_________________
С уважением,
Бигаров Руслан.


Вернуться наверх
 Профиль  
 
 Заголовок сообщения: Re: 100% загрузка CPU на dlink dxs-3326GSR
СообщениеДобавлено: Ср апр 08, 2015 13:54 
Не в сети

Зарегистрирован: Пн авг 04, 2014 18:51
Сообщений: 12
Bigarov Ruslan писал(а):
Multicast по PIM-у получаете?

На компьютере с астрой PIM-а нет, он включен на l3 интерфейсе 3627 куда приходит весь поток с астры. Прикрепляю к сообщению логическую схему.


Вложения:
multicast.jpg
multicast.jpg [ 44.04 KiB | Просмотров: 1984 ]
Вернуться наверх
 Профиль  
 
 Заголовок сообщения: Re: 100% загрузка CPU на dlink dxs-3326GSR
СообщениеДобавлено: Ср апр 08, 2015 14:09 
Не в сети
Сотрудник D-LINK
Сотрудник D-LINK

Зарегистрирован: Пт янв 21, 2005 11:52
Сообщений: 11212
Откуда: D-Link, Moscow
Нужно на DXS-3326GSR PIM поднять и по нему же отдавать на DGS-3627G по p2p интерфейсу(с маской /30). И DXS-3326GSR ещё будет маршрутизировать в VLAN ISM. Так будет правильнее.

_________________
С уважением,
Бигаров Руслан.


Вернуться наверх
 Профиль  
 
Показать сообщения за:  Сортировать по:  
Начать новую тему Ответить на тему  [ Сообщений: 6 ] 

Часовой пояс: UTC + 3 часа


Кто сейчас на форуме

Сейчас этот форум просматривают: нет зарегистрированных пользователей и гости: 25


Вы не можете начинать темы
Вы не можете отвечать на сообщения
Вы не можете редактировать свои сообщения
Вы не можете удалять свои сообщения
Вы не можете добавлять вложения

Найти:
Перейти:  
Создано на основе phpBB® Forum Software © phpBB Group
Русская поддержка phpBB