Столкнулись с возможной потерей трафика при зеркалировании портов.
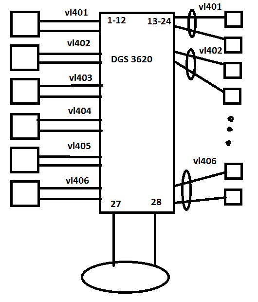
Схема подключения во вложении (извините не художник

).
DGS стоит в разрыве. Всё что от него требуется - отзеркалировать трафик идущий между устройствами.
Конфигурация DGS во вложении.
При съёме проходящего трафика с портов обнаружилось, следующее (трафик снимает zabbix).
Если взять сумму трафика (входящий+исходящий) с портов 1-12 и сравнить трафиком исходящим в 27+28 порты то разница при увеличении нагрузки очевидна (файл mirror1 во вложении).
Если взять сумму трафика (входящий+исходящий) с портов 1-12 и сравнить с трафиком (входящий+исходящий) на портах 13-24 опять видим существенную разницу, хотя он должен быть равен (файл mirror2).
Поскольку есть LACP на портах 1-12, попробовал оставить в сумме только трафик с мастер-портов. Но опять что-то не срастается (падение на графике как раз и отражает переход на снятие счётчиков только с master портов).
В общем, теряюсь в догадках то ли я чего-то не так делаю, то ли DGS ошибается в счётчиках и/или не всё зеркалирует при больших нагрузках.