faq обучение настройка
Текущее время: Ср ноя 05, 2025 13:17

Часовой пояс: UTC + 3 часа




Начать новую тему Ответить на тему  [ Сообщений: 4 ] 
Автор Сообщение
 Заголовок сообщения: DFL-210 Что за слот? [Решено]
СообщениеДобавлено: Чт дек 07, 2023 13:24 
Не в сети

Зарегистрирован: Вс янв 08, 2006 15:49
Сообщений: 15
Откуда: Moscow
Добрый день. Что это за слот на матери? Что в него можно подключить?

Плата EM-436B V2.0

Вложение:
slot.jpg
slot.jpg [ 275.47 KiB | Просмотров: 4721 ]

_________________
Когда звёзды сбросят свои копья,
И небо выплачет все свои слёзы.
Улыбнется ли он, увидев свою работу?
Он, кто сделал этот мир свободным!


Последний раз редактировалось (:Pro:) Чт дек 07, 2023 20:45, всего редактировалось 1 раз.

Вернуться наверх
 Профиль  
 
 Заголовок сообщения: Re: DFL-210 Что за слот?
СообщениеДобавлено: Чт дек 07, 2023 18:45 
Не в сети

Зарегистрирован: Пн фев 04, 2008 08:41
Сообщений: 1558
Откуда: Ryazan'
Mini-PCI. Теоретически что-нибудь подключить можно, только NetDefend'у, который в этой DFL'ке живёт - это всё "до лампочки".


Вернуться наверх
 Профиль  
 
 Заголовок сообщения: Re: DFL-210 Что за слот?
СообщениеДобавлено: Чт дек 07, 2023 20:44 
Не в сети

Зарегистрирован: Вс янв 08, 2006 15:49
Сообщений: 15
Откуда: Moscow
Victor_N писал(а):
Mini-PCI. Теоретически что-нибудь подключить можно, только NetDefend'у, который в этой DFL'ке живёт - это всё "до лампочки".

Похоже на то :) Спасибо.
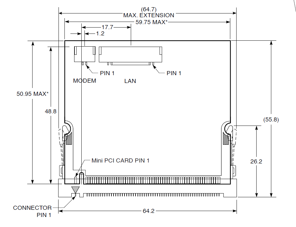
И что, получается вооооообще оно ничего не поддерживает? А зачем слот припаяли? В изначальной версии слота не было.

Вложение:
mini-pci.png
mini-pci.png [ 42.19 KiB | Просмотров: 4689 ]

_________________
Когда звёзды сбросят свои копья,
И небо выплачет все свои слёзы.
Улыбнется ли он, увидев свою работу?
Он, кто сделал этот мир свободным!


Вернуться наверх
 Профиль  
 
 Заголовок сообщения: Re: DFL-210 Что за слот? [Решено]
СообщениеДобавлено: Чт дек 07, 2023 21:38 
Не в сети

Зарегистрирован: Вс янв 08, 2006 15:49
Сообщений: 15
Откуда: Moscow
Кстати ссылка на вики где есть описание по лучше. Только нашёл =)

https://wikidevi.wi-cat.ru/D-Link_DFL-210

_________________
Когда звёзды сбросят свои копья,
И небо выплачет все свои слёзы.
Улыбнется ли он, увидев свою работу?
Он, кто сделал этот мир свободным!


Вернуться наверх
 Профиль  
 
Показать сообщения за:  Сортировать по:  
Начать новую тему Ответить на тему  [ Сообщений: 4 ] 

Часовой пояс: UTC + 3 часа


Кто сейчас на форуме

Сейчас этот форум просматривают: нет зарегистрированных пользователей и гости: 86


Вы не можете начинать темы
Вы не можете отвечать на сообщения
Вы не можете редактировать свои сообщения
Вы не можете удалять свои сообщения
Вы не можете добавлять вложения

Найти:
Перейти:  
Создано на основе phpBB® Forum Software © phpBB Group
Русская поддержка phpBB