faq обучение настройка
Текущее время: Ср фев 18, 2026 18:09

Часовой пояс: UTC + 3 часа




Начать новую тему Ответить на тему  [ Сообщений: 4 ] 
Автор Сообщение
 Заголовок сообщения: Не работает SELT - тест
СообщениеДобавлено: Пн окт 31, 2011 11:25 
Не в сети

Зарегистрирован: Вт окт 25, 2011 17:41
Сообщений: 26
Здравствуйте
DAS-3228 DC/C
Hw Version: 20
CPSw Version: R2.55
Src Revision: 121
DSP Version: E.67.1.128

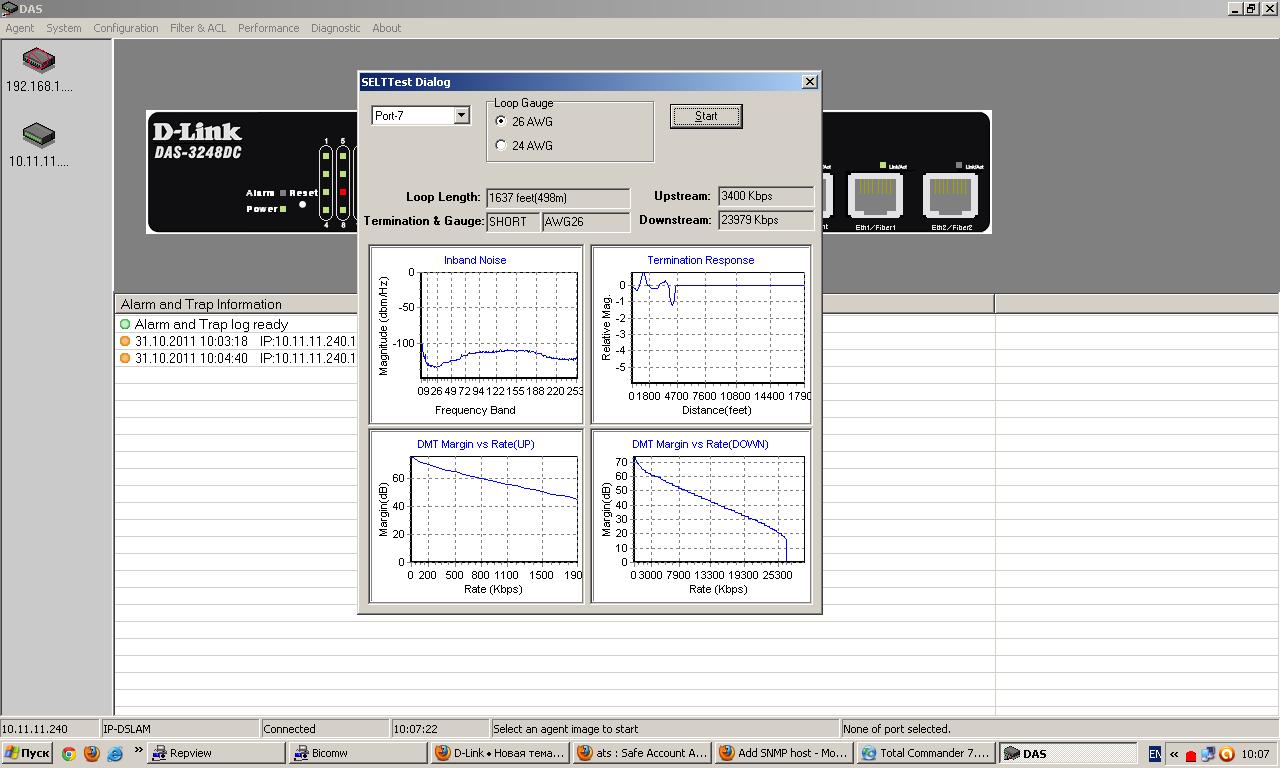
С помощью утилиты DAS (ver. 2.0.3, rel. 2010/12/10) пытаюсь сделать SELT-тест на абонентском порте. На каком бы я порте не делал тест, все время один и тот же результат. Длина линий до 1,5 до 3 км (по линейним даным). На линиях абонентское оборудование отсутствует.
В чем проблема ?
Заранеее благодарен за помощь.


Вложения:
SELT-test.JPG
SELT-test.JPG [ 146.31 KiB | Просмотров: 3868 ]
Вернуться наверх
 Профиль  
 
 Заголовок сообщения: Re: Не работает SELT - тест
СообщениеДобавлено: Пн ноя 07, 2011 15:38 
Не в сети
Сотрудник D-LINK
Сотрудник D-LINK

Зарегистрирован: Чт мар 17, 2005 11:14
Сообщений: 1314
Откуда: Воронеж
ivan_chuch писал(а):
Здравствуйте
DAS-3228 DC/C
Hw Version: 20
CPSw Version: R2.55
Src Revision: 121
DSP Version: E.67.1.128

DAS-3228/DC/C ?
может быть DAS-3248/DC/C .
Прошивка 2.55 какой версии ?

Последняя 2.55_r122
ftp://ftp.dlink.ru/pub/IPDSLAM/DAS-3248 ... 2.55_r122/
обновите до нее.

_________________
С уважением, Гакало Алексей


Вернуться наверх
 Профиль  
 
 Заголовок сообщения: Re: Не работает SELT - тест
СообщениеДобавлено: Вт ноя 08, 2011 19:08 
Не в сети

Зарегистрирован: Вт окт 25, 2011 17:41
Сообщений: 26
Да, опечатка.
DAS-3248/DC/C .
Прошивка 2.55 версии 121.
Попробую обновится до 122.

Спасибо.


Вернуться наверх
 Профиль  
 
 Заголовок сообщения: Re: Не работает SELT - тест
СообщениеДобавлено: Пн ноя 14, 2011 14:32 
Не в сети

Зарегистрирован: Вт окт 25, 2011 17:41
Сообщений: 26
Здравствуйте
Обновился до версии прошивки 2.55 версии 122.
Проблема с SELT-тестом осталась.
Отзовитесь, пожалуйста, у кого SELT-тест работает. Может я что-то не так деляю.

Заранее спасибо за помощь.


Вернуться наверх
 Профиль  
 
Показать сообщения за:  Сортировать по:  
Начать новую тему Ответить на тему  [ Сообщений: 4 ] 

Часовой пояс: UTC + 3 часа


Кто сейчас на форуме

Сейчас этот форум просматривают: нет зарегистрированных пользователей и гости: 17


Вы не можете начинать темы
Вы не можете отвечать на сообщения
Вы не можете редактировать свои сообщения
Вы не можете удалять свои сообщения
Вы не можете добавлять вложения

Найти:
Перейти:  
Создано на основе phpBB® Forum Software © phpBB Group
Русская поддержка phpBB